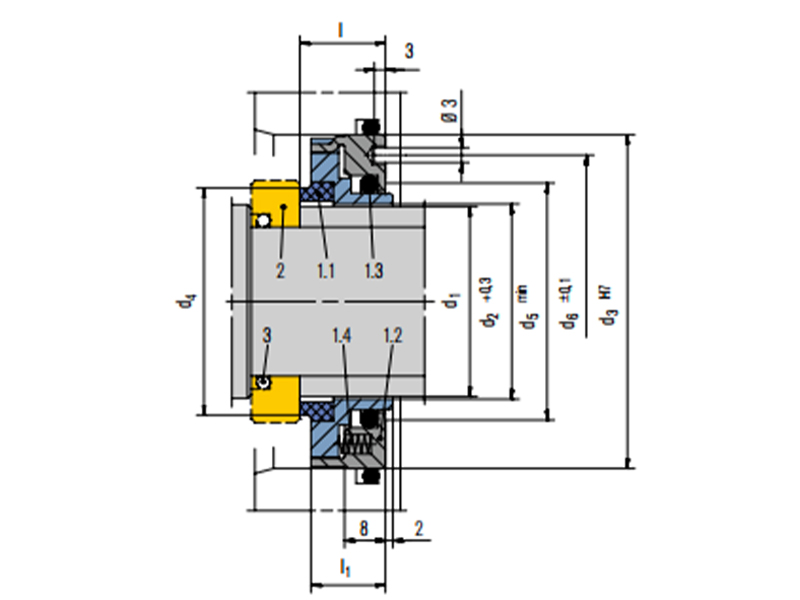
H8/H10 Mechanical Seal

  • Single-face balanced design accommodates any rotation direction, ensuring stable high-speed operation.

 

  • Multiple seal face materials suit water, oil, and mildly corrosive media.

 

  • Compact axial size (15-100mm) with ±0.5mm shaft axial movement allows easy installation in high-speed equipment.

Precision Engineered

Crafted with precision to deliver accurate and stable sealing performance.

Built for Endurance

Designed to perform consistently under demanding industrial conditions.

Wide Compatibility

Compatible with a wide range of equipment types and operating conditions.

Advantages of H8/H10 Mechanical Seal

Compact Design

Short axial dimension replaces oil seals directly, saving installation space.

Versatile Material Options

Graphite, silicon carbide, alloy, tungsten carbide options fit various media requirements.

High-Speed Stability

Multi-spring structure supports speeds up to 35m/s, reducing vibration and leakage risk.

Durable Metal Components

Springs and metal parts use 304/316L stainless steel for corrosion resistance, durability.

Precision Engineering

Every drawing reflects our commitment to precision design and high-quality manufacturing, ensuring reliable performance under all operating conditions.

Trusted Expertise

Years of R&D and manufacturing experience enable us to deliver durable, consistent products, with every detail showcasing professionalism and reliability.

Manufacturing Strength

Have A Project In Mind?

Get A Free Estimate Today.

Sealing solutions for cleanroom use, enabling sterile, contamination-free pharmaceutical production.

Reliable sealing for corrosive, flammable, and high-pressure media in critical processing units.

Application Areas

Our sealing solutions are widely applied across multiple industries, supporting stable operation under diverse and demanding working conditions.

Designed for harsh marine environments, resisting salt corrosion and ensuring reliable equipment sealing.

Built to withstand high temperatures, heavy loads, and continuous operation in metallurgical equipment.

Supports continuous production with stable sealing under high moisture and fiber-rich conditions.

Quality Consistency

Stable performance ensured through standardized processes and control.

Custom Adaptability

Flexible solutions for non-standard and special operating conditions.

Engineering Capability

Professional engineering support from selection to application.

Service Responsiveness

Fast response ensures smooth operation and long-term reliability.

Why Choose Us

We Are Your Suitable Choice

Adhering to the values of “Customer, Responsibility, Innovation, and Win-Win”, the company has built a reliable reputation by producing consistently high-quality mechanical seals widely used in power, chemical, petroleum, automotive, pharmaceutical, food and many other industries, earning strong trust; moving forward, it remains committed to customer satisfaction and offers on-site design and non-standard custom manufacturing.

View More

Stainless Steel Welded Metal Bellows

Stainless steel welded metal bellows deliver exceptional flexibility, high strength, and precise vacuum performance. Available in AM350, 304L, and 316L with custom flange designs, they are widely used across solar, semiconductor, vacuum, and nuclear industries.

Read More »

M7N Mechanical Seal

M7N mechanical seal is a single-face, non-balanced seal designed for various industrial pumps. It supports bidirectional rotation and provides reliable sealing performance under pressures up to 16 bar and temperatures from -20°C to 220°C. With multiple face material options, it is suitable for water, oils, and moderately corrosive media.

Read More »

58U / 59U Mechanical Seal

The 58U/59U mechanical seal is a compact multi-spring single seal with a non-balanced design and bidirectional rotation. It offers stable sealing performance under high speed and moderate pressure, making it suitable for oil, water, organic solvents, and other corrosive media in various industrial pump systems.

Read More »

GB-M37 Mechanical Seal

The GB-M37 mechanical seal is a single-face, non-balanced seal with a conical spring design. Manufactured in accordance with EN12756 (DIN24960) standards, it offers reliable sealing performance for pumps and rotating equipment under moderate pressure and temperature conditions.

Read More »

C8U Mechanical Seal

The C8U mechanical seal is designed for pump systems handling clean water, sewage, oil, and moderately corrosive fluids. It features a compact single-spring structure with reliable sealing performance and materials such as SiC, carbon, and FKM, making it suitable for stable operation in industrial pump applications.

Read More »

Cam Pump Mechanical Seal

This cam pump mechanical seal is designed for industrial fluid handling systems to provide reliable sealing performance and prevent leakage. Manufactured with high-grade stainless steel and precision-machined surfaces, it ensures stable operation and long service life in demanding environments such as high pressure or vacuum conditions.

Read More »